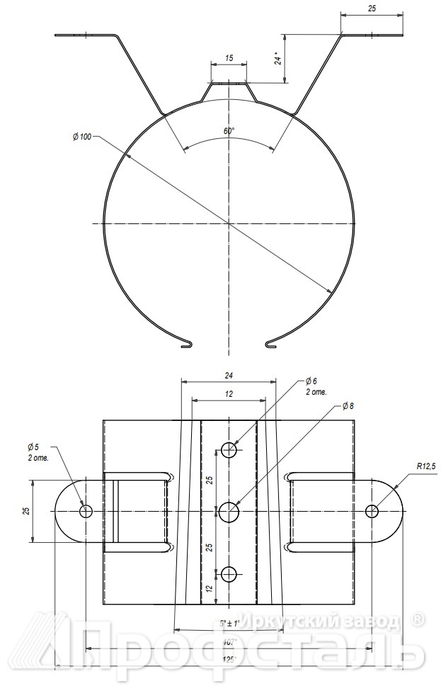
Держатель трубы на ножках D100

Чертеж
Цвета
RAL
Характеристики
Единица продажи - шт.
Покрытие - пурал (двустороннее покрытие)
Толщина стали - 0,5 - 0,6
Область применения
  • Организационный сбор и отвод с кровли атмосферных осадков
Описание продукции

Используется для крепления водосточной трубы к деревянному фасаду с разными видами отделки. Рекомендуется располагать в верхнем и нижнем уровнях фасада и на стыках элементов водосточной системы.


Оставь заявку
получи СКИДКУ
Закажи замер

Галерея объектов

Опрос

Уважаемые покупатели!
Компания АО "Профсталь" будет благодарна вам за участие в опросе. Нам очень важно ваше мнение!
Принять участие


Задать вопрос

Ваше имя*
Ваш E-mail*
Сообщение
* - обязательные поля
Защита от автоматического заполнения Введите символы с картинки*

Раз в неделю мы отправляем Вам электронное письмо с новостями компании и интересными акциями.